Новости
Требования к освещению в подъездах и на лестничных клетках
Автор
Максим Беляев
Дата публикации
13.12.2023
Просмотры
1927
На прочтение
Нормы и правила освещения подъезда и лестничной клетки
Освещенность подъезда и лестничных клеток многоквартирного дома нормируется СНиП в редакции СП 52.13330.2016. В этом документе приводятся минимальные значения освещенности, которые допустимо превышать при необходимости организации более яркого освещения.
| Освещаемый участок | Норма освещенности, Люксы |
| Стойка консьержа | 150 |
| Вестибюль | 30 |
|
Вход в подъезд, площадки, коридоры, холл возле лифта |
20 |
| Запасной выход | 10 |

Требования к внутреннему освещению подъезда:
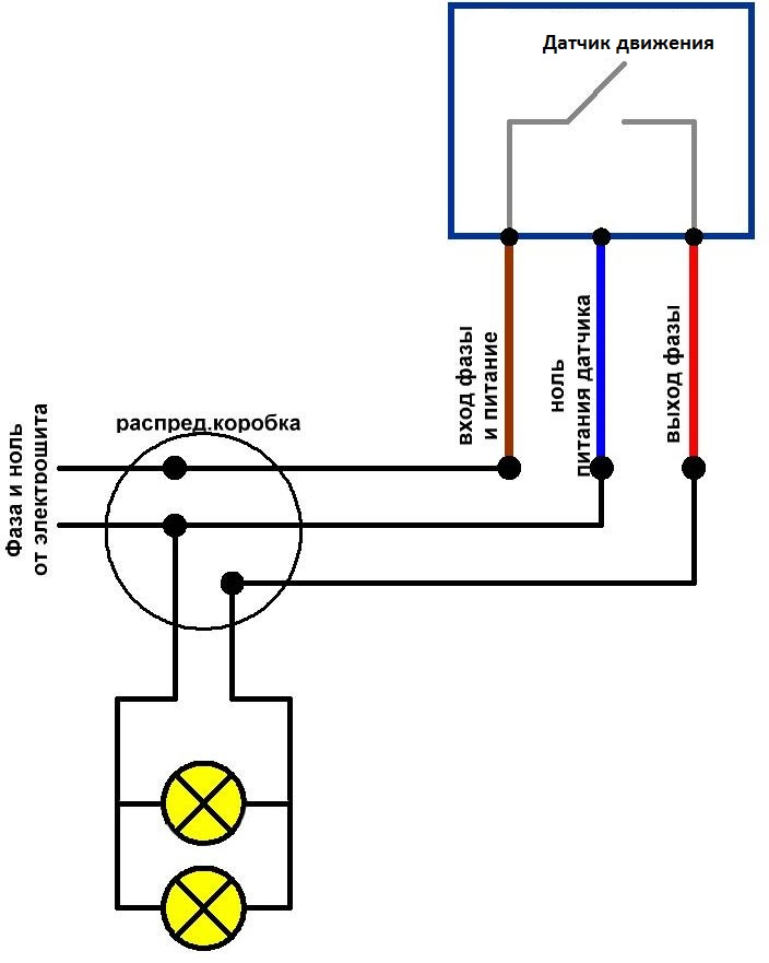
- Включение и отключение света на лестничных площадках многоэтажного жилого дома должно осуществляться в автоматическом режиме. Для этого устанавливаются датчики движения, реагирующие на появление человека в зоне видимости. Автоматика обязательно должна дублироваться ручным управлением с клавишного выключателя. Управление светотехническим оборудованием выполняется за счет коммутации фазного провода.

- Необходимо применять светильники со светодиодными источниками света: лампами, LED модулями, COB-матрицами. Такое решение позволяет экономить электроэнергию благодаря малому энергопотреблению светодиодов. Их светоотдача достигает 110 Люмен с 1 Ватта потребляемой мощности.
- Требуется выбирать источники света с цветовой температурой 4000-5500 Кельвин, соответствующей белому свечению нейтрального оттенка. Оно наиболее близко к естественному солнечному свету.
- Коэффициент пульсаций не должен превышать 10%.
- Индекс цветопередачи выбирается не менее 80 единиц Ra и выше.
- Следует устанавливать специализированные осветительные приборы в антивандальном исполнении, с классом влагозащиты и пылезащиты не менее IP24. Их корпуса изготавливаются из металла и ударопрочного негорючего пластика, а светорассеивающие плафоны – из небьющегося стекла. Крепежные винты ставятся скрыто и оснащаются нестандартной головкой в форме многогранника или звезды.
- В зданиях большой этажности должно быть предусмотрено аварийное и эвакуационное освещение, которое обеспечивает безопасную эвакуацию жильцов при чрезвычайной ситуации. Освещаются основные и запасные выходы, лестничные пролеты, а также подсвечиваются эвакуационные указатели и таблички.

Все перечисленные правила учитываются при проектировании новых жилых домов. В старых зданиях с осветительной системой, не отвечающей современным нормативным требованиям, производится модернизация освещения подъездов.
Виды светильников для подъездов
Многоквартирные дома эконом и комфорт класса
Для освещения всех функциональных зон подъезда жилых зданий этой категории обычно используются только специализированные светильники для ЖКХ.

Осветительные устройства монтируются накладным способом на потолке и стенах. Их основные особенности:
- Способность безотказно работать в сложных эксплуатационных условиях.
- Минималистичный дизайн без всяких излишеств.
- Простота форм.
- Точное соответствие функционала решаемым задачам.
- Широкий ассортимент моделей с различным уровнем IP защиты.
- Большой выбор антивандальных моделей с прочным корпусом из металла и плафоном из ударопрочного стекла.
- Отдельная линейка осветительных приборов со встроенным датчиком движения.
Аварийное освещение создается на базе светильников ЖКХ, оснащенных БАП (блоком аварийного питания) и аккумуляторной батареей.

Варианты формы осветительных приборов: круглая, овальная, квадратная, прямоугольная.

Материал светорассеивающего плафона: специальный пластик или ударостойкое стекло. Светорассеиватель бывает матовым и прозрачным.
Светильники для ЖКХ соответствуют степени ударостойкости не ниже IK 05, что обязательно указывается в их паспорте. Эта характеристика проверяется в лаборатории. При тестировании на светильник падает груз весом 500 грамм с высоты 100 сантиметров. Положительный результат – отсутствие критических повреждений корпуса и плафона.
Вход в подъезд (парадное) со стороны улицы освещается уличными светильниками с защитой IP44 (и выше) в антивандальном исполнении, с корпусом и рассеивателем, изготовленным из морозостойких материалов.

Жилые комплексы бизнес и премиум класса
Внутренняя планировка элитных жилых комплексов значительно отличается от решений, используемых при строительстве типовых домов. Здесь привычные подъезды заменяет обширный входной вестибюль, а этажные площадки - большие холлы.

Инфраструктура подъезда освещается различными типами осветительных приборов, подбираемых не только по функционалу, но и по соответствию дизайну помещений. Здесь не нужна строгая функциональность светильников, нет никаких ограничений по их стилю и форме.
Проектировщики создают индивидуальный светодизайн, делающий вестибюль и этажные холлы максимально комфортной средой для жильцов и их гостей. Нормы освещенности обычно превышаются в несколько раз. Поскольку задача экономии электроэнергии абсолютно не актуальна.
Варианты светильников:
Линейные профильные
Формируют полосы света разной ширины, которые располагаются параллельно в один-два ряда или складываются в геометрический рисунок. Осветительные приборы монтируются как на потолке, так и на стенах.

Выпускаются модели, адаптированные для встраиваемого и накладного монтажа. Конструкция состоит из металлического профиля, жесткой линейки со светоизлучающими диодами, светорассеивающего экрана, драйвера электропитания и боковых заглушек.

Точечные
Встраиваются в декоративный потолок локальными группами или рядами с равномерным распределением по всей потолочной поверхности.

Тонкие и ультратонкие светодиодные панели
Устанавливаются накладным и встраиваемым способом на декоративных подвесных потолках всех типов. Интересны равномерным свечением всей плоскости панели без видимых точек. Излучаемый свет отличается мягкостью и однородностью. Освещение получается очень ровным по всему объему пространства.

Светодиодные люстры
Служат эффективным инструментом для создания эксклюзивного освещения, благодаря многообразию форм и вариантов дизайна. Подвешиваются на тросиках или устанавливаются накладным способом в зависимости от дизайнерского замысла.

Подвесные светильники
Чаще всего используются для локальной подсветки лобби и входной группы. Регулируемая высота подвеса позволяет подстраивать освещенность под особенности конкретной локации.

Трековые системы на магнитном шинопроводе
Основные достоинства этого светотехнического оборудования – возможность перемещения источников света по шинопроводу, а также их поворота на любой нужный угол.

Поэтому оно незаменимо при необходимости динамического изменения сценария освещения входного вестибюля, этажного холла и других локаций.
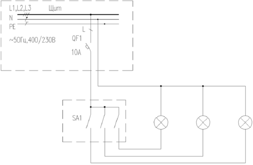
Схемы подключения осветительного оборудования
Познакомимся с типовыми схемами, используемыми для подключения светильников всех видов в подъезде и на лестничных клетках.
- С одинарным клавишным выключателем.

- С многосекционным клавишным выключателем.

- С проходными выключателями.

- С датчиком движения.

Правильное размещение светильников в подъезде
Вариант расстановки светотехнического оборудования во всех функциональных зонах внутри подъезда определяется по совокупности нескольких факторов:
- Норма освещенности.
- Расчетное количество осветительных приборов.
- Площадь и конфигурация помещения.
- Параметры светильников.
- Отражение света от потолка и стен (зависит от цвета отделки).
- Другие второстепенные факторы.
Все расчеты выполняются с помощью специальной программы на этапе проектирования жилого дома. Например, всем известной Dialux. Результаты вычислений отображаются в табличном формате и в виде 3D рисунка. На 3D визуализации показывается помещение, точки размещения светильников и уровни освещенности, выделенные разным цветом.

0 комментария