Новости
Схемы подключения светодиодной ленты
Автор
Максим Беляев
Дата публикации
04.06.2019
Просмотры
15463
На прочтение
Подключение светодиодных лент осуществляется по типовым схемам. Чтобы подсветка работала, необходимо рассчитать потребляемую мощность, подобрать в соответствии с ней контроллеры и блоки питания (БП), выбрать сечение провода, правильно соединить все элементы цепи. Зная основные правила, сделать это несложно.
Светодиодная лента является своеобразным конструктором, в состав которого входят различные комплектующие, подбираемые в соответствии с видом и количеством ленты. Для создания системы освещения требуются блоки питания. При необходимости управления – RGB-контроллеры, диммеры, усилители. Все оборудование соединяется в единую электросхему в определенной последовательности. Электрические схемы похожи, но имеют отличия и нюансы подключения.
Мы рассмотрим типы необходимого оборудования, покажем как оно подключается и устанавливается. Вы увидите типовые схемы подключения одной и нескольких 5-метровых катушек одноцветной и многоцветной RGB ленты, с одним/несколькими блоками питания, приборами диммирования/управления. В конце статьи можно будет познакомиться с типовыми правилами и ошибками монтажа ленты, а также ответами на популярные вопросы пользователей.
1. Схема подключения одноцветной светодиодной ленты 12/24В
Подключение монохромной светодиодной ленты 12 Вольт полностью подходит для 24-вольтовых моделей. Самая простая схема реализуется при монтаже низковольтной монохромной 5-метровой ленты. Фазный и нулевой провода 220В присоединяется к источнику электропитания.
1.1. Подключение блока питания
Плюсовой и минусовой выходные контакты БП соединяются с соответствующими контактами ленты. Обычно при помощи клеммных разъемов удлиняются проводники, выходящие с ленты, или к ним припаивается длинный кабель.


Можно последовательно соединять несколько отдельных отрезков, если итоговая длина не превышает 5 метров. Превышение недопустимо, поскольку из-за падения напряжения наблюдается неравномерность яркости свечения на конечных участках. А увеличение тока в цепи вызывает перегрев и перегорание токоведущих дорожек на печатной плате. В итоге – выход из строя всей системы.

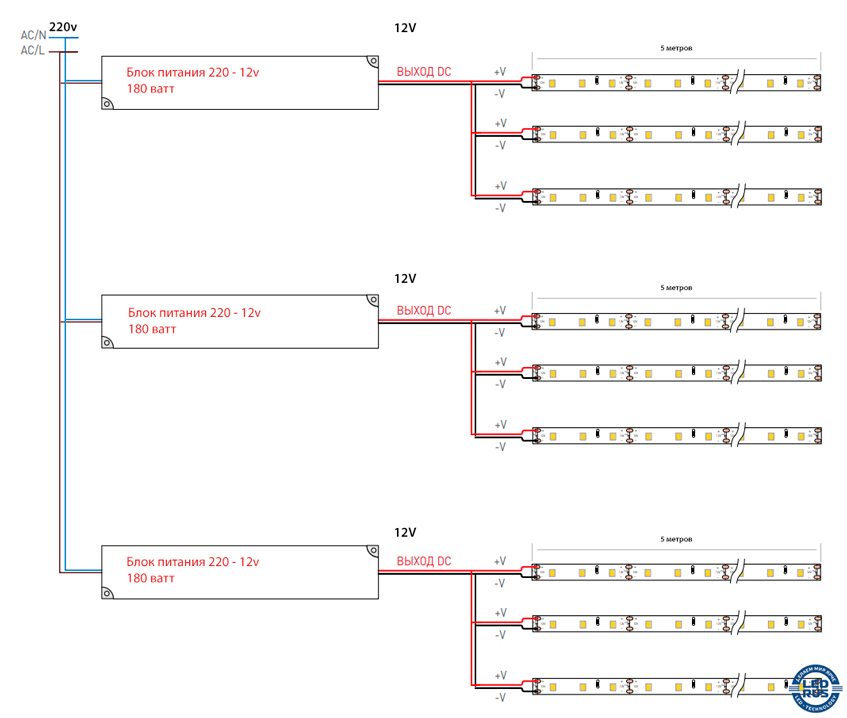
Если планируется шлейф свыше пяти метров, то используется параллельное подключение светодиодной ленты к блоку питания.

При установке мощной и длинной ленты зачастую недостаточно одного блока электропитания. Если более мощный БП не подходит для проекта (не устраивает его громоздкость), то можно реализовать схему с 2 и более источниками питания. Их размещают либо в одном месте (к примеру в электрощите), либо непосредственно возле фрагментов ленты.

1.2. Подключение диммера
Далее усложняем схемное решение и добавляем приборы управления. Вот так выглядит вариант подключения диммера к светодиодной ленте (катушка 5 метров), управляемого дистанционным пультом.


1.3. Подключение усилителя
В следующей схеме применяются 2 блока питания. Усилитель выполняет роль репитера и повторяет сигнал. То есть управляющий сигнал от диммера/контроллера дублируется на параллельно включенное усилительное устройство, которое выполняет диммирование. Необходимо предварительно сделать расчет мощности нагрузки, БП и управляющих приборов.


Возможна ситуация, когда в схему с диммером и усилителем предпочтительнее поставить один мощный блок электропитания вместо двух-трех маломощных моделей. Тогда получаем следующее решение:

1.4. Подключение многозональной регулировки яркости
На следующем рисунке показано многозональное управление с тремя светорегуляторами. Схема подключения светодиодной ленты с пультом на все три зоны, не связанные между собой. Такое схемное решение реализуется при наличии в одном помещении нескольких зон освещения, которыми нужно управлять отдельно с одного пульта.
Пример – подсвечиваем барную стойку, потолок, полки и телевизор в комнате. При многозональном управлении можем управлять каждой зоной по отдельности или всеми одновременно с одного пульта. Соединение зон между собой сигнальным кабелем не требуется, так как они являются независимыми.

2. Подключение светодиодной ленты RGB
Переходим к схемным решениям с низковольтной многоцветной RGB-лентой, которые идентичны схемам монохромной ленты с диммером. Единственное отличие – три минусовых контакта в отличие от одного у одноцветной ленты.
Подключение выполняется через РГБ-контроллер. Длина ленточного шлейфа подбирается с учетом соответствия мощности нагрузки и самого прибора. Желательно сделать запас примерно 15%. На контроллере четыре выхода: первый – общий плюс, остальные три – минусы, которые соединяются с соответствующими контактами (R/G/B) на ленте. Ниже можно увидеть самую простую схему с RGB-лентой 5 метров.
2.1. Подключение RGB контроллера


2.2. Подключение контроллера и усилителя
Если мощность RGB-контроллера недостаточна, то устанавливается дополнительный RGB-контроллер или усилитель. Предпочтительным вариантом является усилитель, так как два однозональных контроллера управляются двумя пультами. Если ставим RGB-усилитель для дублирования сигналов от контроллера, то можно обойтись одним пультом.


2.3. Подключение многозонального управления RGB-ленты
Вот таким образом реализуется многозональное управление RGB-лент. Схема подключения светодиодной ленты с пультом:

3. Схема подключения ленты 220 Вольт
Длина катушки составляет 50-100 м, при необходимости ленту можно укоротить, ориентируясь на имеющиеся отметки (как правило, интервал между ними составляет 1 м). Если несколько отрезков нужно состыковать, используются игольчатые коннекторы. Край защищается заглушкой.

Светодиодные ленты на 220В подключаются несколько иначе: не требуется блок питания и усилители. Понадобится только шнур с адаптером, в котором находится диодный мостик, выпрямляющий переменное напряжение. Оптимально применять схему подключения светодиодной ленты через выключатель. RGB-контроллеры поставляются исключительно в комплекте с RGB-лентой и не подлежат замене, поскольку не универсальны.

Вопреки бытующему мнению не требуется подключение трансформатора к светодиодной ленте или установка специального драйвера/блока питания. Посмотрим как выглядит подключение светодиодной ленты к сети 220В. Схема:

4. Способы подключения светодиодной ленты для дома
Хотим добавить еще несколько способов подключения и их реализации на основе нашего опыта. Во всех вариантах оптимально использовать схему подключения светодиодной ленты с выключателем.
- Блок питания монтируется в специальном лючке или щите. К нему протягиваются провода от каждой бобины ленты. Основное применение при создании протяженных шлейфов до 50 метров (10 катушек).

- От БП прокладывается электрический кабель. От него к фрагментам ленты монтируются проводники. Этот способ целесообразен для проекта с большим числов коротких участков.

- Устанавливаются независимые источники электропитания для каждого отрезка гибкой печатной платы. 220 вольт подаются на них параллельно. Способ применим когда не предусмотрено место под БП, и они выносятся непосредственно на монтажный участок.

5. Что нужно для подключения светодиодной ленты?
Разумеется, перед началом монтажных работ требуется приобрести все необходимые комплектующие, предусмотрев оборудование и расходные материалы. Состав зависит от модификации и количества ленты. Для недлинного шлейфа потребуется минимум блоков электропитания/управления, имеющих малую мощность и размеры.
При создании 5-метрового шлейфа без управления достаточно одного блока питания. Если планируется подключить два или более пятиметровых рулона одноцветной или RGB-ленты с управлением, то потребуется установка нескольких БП, RGB-контроллеров\диммеров, усилителей.
Итак, вам понадобится тот или иной набор оборудования, зависящий от особенностей решаемой задачи. Посмотрим, что входит в типовые системы, создаваемые на основе одноцветной и мультицветной ленты.
5.1. Бухта светодиодной ленты
Низковольтная лента на 12/24 вольта продается в пятиметровых рулонах. Уличная 220-вольтовая модификация представлена в 50- или 100-метровых бухтах. Что рекомендуется учитывать:
- 12/24-вольтовая светодиодная лента режется кратно 5-10 см (220-вольтовая – 100 см) в специально отмеченных местах.
- С обратной стороны гибкой печатной платы имеется скотч для наклейки на монтажную поверхность.
- На концах печатной платы припаяны проводники по 10-15 сантиметров для соединения с проводами от БП/контроллера. Монохромные модели: красный провод «+», черный «–». RGB-ленты наоборот: черный «плюс», а красные (цветные) провода (R/G/B) присоединены к минусу.
5.2. Блок питания
Блок питания осуществляет преобразование переменного напряжения сети в стабилизированное DC 12В или 24В. На устройстве имеются: вход, куда подаются 220В (фаза, ноль) и выход с плюсовым и минусовым контактом для подсоединения ленты или контроллера (диммера).
В БП открытого типа для подсоединения внешних линий используются клеммы с винтами, а в герметичных закрытого типа – разъемные соединители или провода. Рабочий ток ленты задается токоограничивающими резисторами на ее плате. Открытые БП, имеющие мощность свыше 250 ватт выпускаются с кулером.
На фото мы видим блок питания открытого типа. Сетевой кабель 220 вольт подключается на клеммную колодку так:
- фазный провод – к L;
- нулевая жила синего цвета – к N;
- «земля» – провод желто-зеленой окраски к клемме со знаком заземления.
Подключение светодиодной ленты к блоку питания выполняется на клеммы «+V» и «–V».

Ниже показаны закрытые БП, в которых вместо контактных колодок выведены провода. Маркировка указана на корпусах приборов.
5.3. Диммер
Диммер регулирует яркость светового потока монохромной светодиодной ленты. Он позволяет плавно изменять интенсивность светового потока в определенных пределах, а также включать и отключать осветительное устройство. Мощность светорегулятора должна соответствовать общей мощности всех подключаемых фрагментов светодиодного шлейфа. Контакты на разъеме: «+» и «–» вход/выход. Прибор подключается к блоку AC/DC и ленте.
5.4. Контроллер RGB
RGB-контроллер управляет мультицветной лентой посредством микширования трех основных цветов (красный/зеленый/синий). Контроллер позволяет подобрать любые цвета или оттенки, изменять уровень яркости, скорости и плавности цветового потока. Большее разнообразие добавляют встроенные программы, помогающие создавать разнообразные цветовые эффекты подсветки. Контакты: «плюс» и «минус» на входе, «плюс» и три «минуса» (по одному на каждый цвет – R, G, B) на выходе, подключаются в строгом соответствии с маркировкой. Многоцветные RGB-ленты не используется без контроллера.
5.5. Усилитель
Это устройство используется, если мощность всех ленточных шлейфов больше мощности диммера/контроллера либо когда устанавливается более двух источников электропитания в схеме с управлением/диммированием. К усилителю присоединяется часть ленточных фрагментов, и схема управления работает в штатном режиме.
5.6. Пульт управления
Пульт служит для дистанционного управления диммером и контроллером. В продаже представлены кнопочные и сенсорные модели пультов. Управляющие сигналы передаются через инфракрасный или радиочастотный канал на дальность 10-50 метров. Возможен выбор однозонального или многозонального пульта. Например, трехзонального для управления тремя контроллерами/диммерами на разных участках освещения.
5.7. Кабельная продукция, провода
Для подсоединения блока питания к сети 220В понадобится медный кабель, например, 3-жильный электрокабель ВВГнг-Ls сечением от 0,75 до 1,5 кв мм. Соединения светодиодной ленты с блоком питания, диммером, контроллером выполняются гибкими монтажными проводами ПуГВ 0,75-1,5 кв мм с изоляцией. Сечение проводников зависит от величины тока.
6. Как припаять провода к светодиодной ленте?
Паечные соединения целесообразно выполнять, если вы умеете правильно паять. Преимущество полученных стыков в большей надежности и устойчивости к внешним воздействиям.

Если навыки пайки отсутствуют, то лучше воспользоваться коннекторами, которые весьма просты в использовании. Их единственный недостаток – окисление контактов при повышенной влажности.

Перед пайкой требуется зачистить и залудить контакты на плате, а также концы проводов при помощи паяльника мощностью до 25 ватт и натуральной канифоли. Нельзя применять кислотные флюсы. Припаивание проводников производится в одно касание жала паяльника, чтобы не перегреть место пайки.
7. Основные правила и ошибки
- подключайте ленты длиннее 5 метров только параллельно, последовательное подключение запрещено;
- устанавливайте блоки питания в проветриваемое пространство с легким доступом. Чтоб они не грелись и были доступны для обслуживания;
- выбирайте БП с резервом по мощности 15-20%;
- в одном проекте желательно использовать БП одного типа, т.к может быть разное время запуска. Разные фрагменты ленты будут включаться не одновременно;
- правильно подбирайте сечение проводов;
- перед началом монтажа соберите схему на полу и проверьте ее работоспособность;
- следите чтобы источник электропитания и лента были одного напряжения (12 или 24 вольт);
- режьте ленту по отмеченным на ней линиям реза;
- при изгибах печатной платы под большим углом возможно повреждение токоведущих дорожек;
- используйте разъемные соединители лишь в случае, когда нельзя заменить их пайкой. Во влажных помещениях коннекторные контакты окисляются;
- учитывайте, что мощные блоки питания оснащаются кулером, издающим шум.
8. Итоги
Итак, мы разобрали разнообразные варианты и способы подключения светодиодной ленты к блоку электропитания и приборам управления. Используя схемы, пояснения к ним и наши рекомендации вы сможете самостоятельно произвести установку всего оборудования. Разумеется при непонимании отдельных нюансов, вы можете задать свои вопросы в комментариях к статье. Обязательно подробно ответим на них и постараемся помочь вам во всем процессе монтажных работ. Давайте вместе пройдем весь путь от покупки комплектующих до щелчка выключателя и включения ленты.
9. Часто задаваемые вопросы
- Надо ли запитывать ленту с двух сторон? – Бюджетные серии да. Ленты высокого качества не обязательно.
- Обязательно ли нужен теплоотвод? – Для моделей свыше 20 ватт обязателен. Но важно учитывать, что установка теплоотвода значительно увеличивает срок службы даже маломощных лент.
- Нужно ли образование и глубокие знания для подключения ленты? – Нет, достаточно базовых знаний и общего понимания электротехники.

0 комментария