Новости
Как самостоятельно составить схему освещения квартиры: расчет и примеры
Автор
Максим Беляев
Дата публикации
29.12.2022
Просмотры
3235
На прочтение
Для чего составляются схемы освещения?
Правильно организовать квартирное освещение с нуля или его модернизировать можно только при наличии электрической схемы осветительной системы. Это обусловлено, в первую очередь, постоянным усложнением системы. Большинство людей уже не ограничивается единственным светильником в помещении. В квартирах используется все больше осветительных устройств для создания основного освещения, локальной, акцентной и декоративной подсветки.
Для удобства управления применяется зонирование освещения и объединение светильников в группы. В этом случае на первый план выходит необходимость изменения схемы электропроводки, а также количества и расстановки клавишных выключателей. Кроме того, нужно учитывать нормы освещенности, а значит выбирать число светильников и их расположение не «на глаз», а в соответствии с расчетами. Составление схемы поможет учесть все нюансы планируемого освещения и значительно облегчит выполнение монтажных работ.
Виды схем
Обычно делают несколько схем, позволяющих охватить весь объем предстоящих работ. Проектирование удобно выполнять в графическом редакторе. Но можно сделать чертежи и от руки на листах формата А4.
1. Схема распределительного электрощита.
На ней отображаются: однофазный вводной автомат, электросчетчик, УЗО, потребительские автоматы (для групп и отдельных подключений), клеммники для нейтрали и земли. Рисуются все соединения между ними.


2. План размещения светильников и выключателей.
Для его выполнения понадобится план квартиры в подходящем масштабе. На него наносятся места установки осветительных приборов и клавишных выключателей.

3. Схема прокладки кабельных линий.
Трехжильная (фаза, ноль, земля) электропроводка прокладывается от выходных автоматов до распределительных коробок. И далее к светильникам через выключатели, которые коммутируют фазный провод.

4. Схема соединений в коммутационных коробках.
Распредкоробки являются обязательными элементами системы освещения. Они позволяют запитать несколько осветительных приборов от одной линии питания. Коммутация производится при помощи встроенных клеммных колодок или специализированных зажимов.


Как самостоятельно составить схему освещения?
Как мы отметили выше, понадобится подготовить минимум четыре различных чертежа. Вначале нужно сделать схему с расстановкой светильников, которая послужит основой всех остальных схемных решений. Здесь очень важно, во-первых, правильно рассчитать количество осветительных устройств, во-вторых, грамотно их разместить. Расчеты основываются на нормах освещенности по СНиП, которые отличаются для различных помещений:
| Тип помещения | Освещенность, Лк |
| Кабинет | 300 |
| Ванная, кухня | 250 |
| Детская комната | 200 |
| Столовая | 150 |
| Жилая комната, гостиная | 150 |
| Спальня | 120 |
| Прихожая, кладовая | 60 |
| Санузел | 50 |
| Лестничная площадка | 20 |
Самый лучший результат получается при использовании программы Dialux, анализирующей практически все характеристики помещений и светильников. Итоговая информация выдается в графическом и табличном формате. Программа рассчитывает как оптимальное число осветительных приборов, так и их расположение. Для выполнения расчетов потребуются ies файлы с фотометрическими характеристиками светильников, которые можно получить у специалиста LedRus.
С помощью формулы возможен только расчет количества осветительных устройств и не более того:
N= EхSхH/F
- N – количество светильников
- Е - норма освещенности
- S – площадь помещения
- F - яркость одного светильника в Люменах
- Н - коэффициент высоты потолка (единица для потолка высотой до 2,7 метров).
Затем нужно посчитать общую мощность светильников в каждом помещении. На основе этих данных выбираются номиналы автоматов и УЗО в электрощите, а также сечение жил электрического кабеля и проводки.
Далее выполняются чертежи распределительного электрощита, прокладки электропроводки и всех коммутационных коробок. Рассмотрим информацию, которая позволит эффективно реализовать осветительную систему с любыми типами светильников:
1. Топология разводки электропроводки:
Последовательная. Фазный и нулевой провода последовательно прокладываются между всеми источниками света. Кабель электропитания подключается к первому светильнику в электроцепи. Этот вариант применяется, например, при установке точечных светильников на натяжном потолке.
Параллельная. К каждому осветительному устройству прокладывается отдельная проводка. Устаревшее решение, пригодное лишь для помещений с одним-двумя источниками света.
Лучевая. Разновидность параллельной схемы, позволяющая сэкономить электрические кабели. Оптимально использовать ее для освещения, разделяемого на локальные зоны и группы.
2. Виды выключателей.
- Одноклавишные – предназначены для включения/отключения одного устройства или одной группы.
- Двух- и трехклавишные – позволяют управлять несколькими светильниками или группами в разных участках комнаты.

- Проходные – применяются для управления освещением в длинных коридорах и на лестницах в двухуровневых квартирах. Нажатие любой клавиши либо включает, либо отключает свет. Последовательность нажатия не имеет значения.

3. Способ прокладки проводки.
- В штробе – самый трудоемкий и времязатратный вариант. Единственное преимущество состоит в получении скрытой электропроводки на бетонных стенах и потолке.
- В накладном пластиковом коробе – монтаж выполняется быстро, просто и легко. Серьезным минусом является ухудшение эстетики внешнего вида помещения.
- За декоративным потолочным и стеновым перекрытием – оптимальное решение. Но его можно реализовать только при наличии натяжного или гипсокартонного потолка, а также стен из гипсокартона.
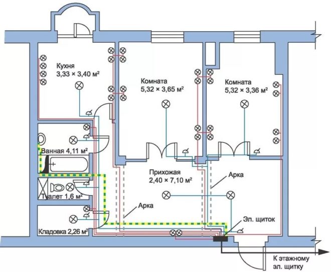
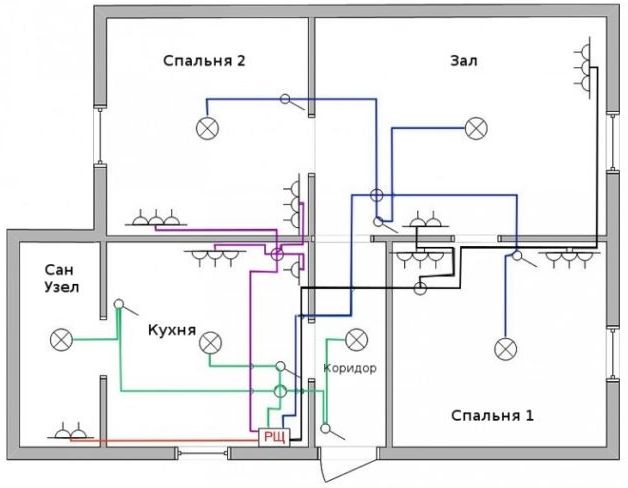
Примеры схем
Ниже показаны схемные решения по освещению квартир с разным количеством комнат:






0 комментария