Новости
Фотореле для уличного освещения
Автор
Максим Беляев
Дата публикации
18.01.2023
Просмотры
5157
На прочтение
Что такое фотореле?
Фотореле – это электронное устройство, предназначенное для автоматического включения и отключения уличных светильников в вечернее и утреннее время. В литературе и обиходной речи часто встречаются другие его наименования: датчик света (освещенности), фотодатчик, фотосенсор, переключатель день/ночь.
В простейшем виде типовая схема фотореле состоит из фотодатчика (фоторезистор, фотодиод или фототранзистор), усилителя сигнала и реле.
Фотоэлемент реагирует на уровень освещенности. Например, фотодиод в темное время работает подобно обычному диоду, пропуская ток в прямом направлении. Но при попадании на него света, фотодиод запирается и протекание тока прекращается. А у фоторезистора изменяется сопротивление от 5-10 МОм в темноте до 50-150 Ом при дневном освещении. По факту изменения параметра фотосенсора срабатывает реле, которое своими контактами замыкает (размыкает) цепь электропитания осветительных приборов.
Современные фотореле производятся полностью на электронной базе – транзисторах и микросхемах. Поэтому их работа отличается высокой точностью и быстродействием. Пользователь может регулировать порог срабатывания фотодатчика элементами настройки на корпусе устройства. Эта функция особенно полезна для местности с малым количеством солнечных дней.
Виды фотореле
Со встроенным датчиком – это базовый, недорогой и наиболее популярный вариант. Рассчитан на мощность подключаемой нагрузки до 2,5 кВт. Есть возможность регулировки чувствительности.

С выносным датчиком – более совершенная модификация. Электронный блок устанавливается в помещении, а фотосенсор размещается на улице, в любом удобном месте. Можно задавать порог срабатывания.

Выпускаются модели с выходной мощностью до 5 кВт.
С датчиком движения – такое решение позволяет включать уличное освещение только на время прохода людей или проезда автомобилей.

С таймером – более сложное и дорогостоящее устройство с возможностью настройки расписания режима работы по дням и часам, с учетом будних, выходных и праздничных дней. Функционал и объем настроек отличается у разных моделей.

Астротаймер – это по сути совершенно новый прибор, не нуждающийся в фотоэлементе. Поэтому его можно размещать в любом месте без опасения засветки сенсора от искусственных источников света. Работа этого устройства основана на анализе текущей даты, времени и локальных координат места его установки. Данная информация вводится пользователем при инсталляции астрономического таймера.

Прибор автоматически рассчитывает время солнечного восхода/захода и управляет работой осветительного оборудования, основываясь на расчетных данных.
Для чего применяется датчик света в уличном освещении?
Датчик света выполняет важную функцию по автоматизации процесса функционирования уличного освещения. Наверное все наблюдали, как с наступлением сумерек практически одновременно включаются уличные фонари, установленные вдоль улиц и автодорог. А на рассвете они также синхронно отключаются. Ими управляет вовсе не диспетчер с ручным рубильником. Включение и отключение осветительного оборудования осуществляется с помощью автоматики, базирующейся на профессиональных фотореле.
Датчики освещенности широко используются владельцами загородных домов для управления светом на разных участках придомовой территории. Фотосенсоры применяются в наружном освещении предприятий, парков, отелей, бизнес-центров, крупных торговых комплексов и многих других объектов. В каждом случае выбираются различные типы и модели фотореле, наиболее полно соответствующие решаемой задаче.
Как подключить фотореле?
При создании системы уличного освещения частного дома можно самостоятельно выполнить монтаж и подключение датчика освещенности. Важное значение имеет место размещения фотореле. Нельзя устанавливать фотоэлемент вблизи сторонних источников искусственного света.
Датчик должен срабатывать только от солнечного света, а любая другая засветка приведет к срабатыванию во внеурочное время. Что недопустимо для правильной работы осветительной системы. Помимо этого требуется исключить затенение фотосенсора листвой деревьев, стеной здания и другими объектами.
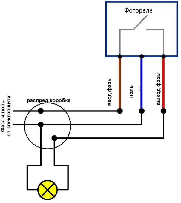
Схема подключения фотореле

Своими контактами реле замыкает или размыкает фазный провод 220 Вольт. Соответственно включая и отключая подключенные к нему осветительные приборы. На корпусе фотореле либо имеется клеммная колодка для подключения с тремя контактами, либо выходят 3 провода. Их цветовая маркировка:
- Коричневый – вход фазы.
- Красный – выход фазы.
- Синий – ноль.

Можно встретить модели с 4-проводным подключением. Их отличие в том, что ноль проходит транзитом через фотореле, а не подается к нагрузке напрямую.

Далее мы приведем схемы с разными дополнительными устройствами.
<
Использование электромагнитных пускателей позволяет применять маломощные фотореле в системах с большим количеством светильников.
Выгоды от использования фотореле
Нам нередко задают вопрос о том, какие реальные преимущества получают пользователи при установке фотореле. Попробуем сформулировать все плюсы от использования датчика света:
- Уверенность, что уличное освещение будет включаться и отключаться своевременно без Вашего вмешательства.
- Возможность экономии расходов на оплату электроэнергии. Светильники автоматически отключаются с наступлением рассвета.
- Расширение функционала за счет применения датчика движения, таймера, магнитного пускателя.
- Имитация присутствия хозяев в частном доме при их длительном отсутствии.
Для полной объективности оценки приведем единственный минус. Фотореле уличного освещения будет работать некорректно, если его разместить возле источника света или в затененном месте. Но этой проблемы легко избежать при правильном выборе точки монтажа.

0 комментария